|
Bauabschnitt
|
Beschreibung
|
Seitenansicht
|
1-2
|
Motorblock, Kurbelwelle
|
 |
3
|
Motor, Anbauteile
|
 |
4-7
|
Zylinderkopf, Kompressor
|
 |
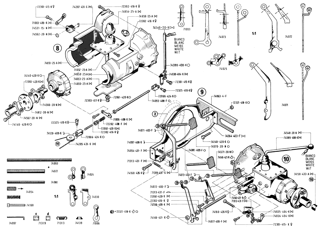
8-10
|
Getriebe, Pedale
|
 |
11
|
Tank, Rahmen, Auspuf
|
 |
12-13
|
Vorderachse, Bremsen
|
 |
14-15
|
Lenkung
|
 |
16-18
|
Hinterachse, Bremsen
|
 |
|
|
Bauabschnitt
|
Beschreibung
|
Seitenansicht
|
19
|
Übersicht Fahrgestell
|
 |
20-24
|
Kühler, Elektrik, Spritzwand, Armaturen
|
 |
25-28
|
Felgen, Räder
|
 |
29-32
|
Sitze
|
 |
33-36
|
Türen, Innenverkleidung, Werkzeug
|
 |
37-40
|
Rücksitz, Reserverad, Stossfänger hinten
|
 |
41-43
|
Karosseriemontage, Motorhaube, Scheinwerfer
|
 |
--
|
Decor
|
 |
|